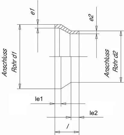
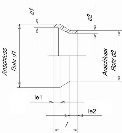
Муфта редукционная, SDR11 PP-H литая с короткими патрубками для стыковой сварки
Муфта редукционная PP-H (полипропилен гомополимер) 250x225 мм SDR11 PN6 с короткими патрубками для стыковой сварки. Фитинг предназначен для применения в составе промышленных трубопроводных систем, транспортирующих воду, технические и химические среды с температурой до 100 °С. Соответствуют стандарту ГОСТ 32415-2013.
Диаметр:
250x225
Бренд:
Simona















