Фитинги ПВДФ
Поливинилиденфторид представляет собой фторированный полимер с содержанием фтора до 59%. Фитинги ПВДФ, за счет хороших характеристик материала, обладают механической, физической и химической устойчивостью. Купить фитинги PVDF можно в компании «Афинара», которая занимается продажей трубопроводной продукции тринадцать лет и является одним из лидеров рынка.
Область применения
Фитинги играют роль соединительной части трубопровода, устанавливаемой для разветвления, поворотов, переходов и соединения труб разных диаметров. Применяют их для возведения трубопроводов горячего и холодного водоснабжения, в строительстве бассейнов и фонтанов, а также при обустройстве газопроводов. Нередко можно встретить изделия в химической, пищевой, металлургической промышленности и в тех местах, где требуется обслуживание трубопроводов для транспортировки агрессивных сред.
|
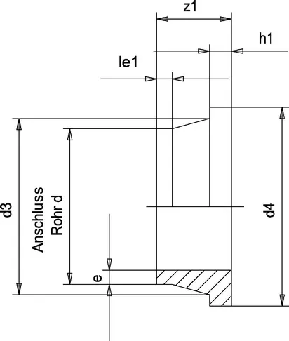
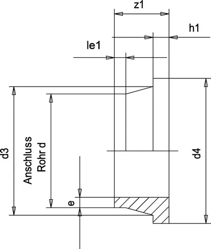
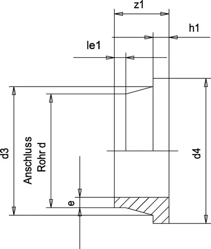
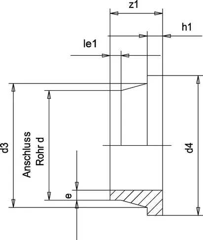
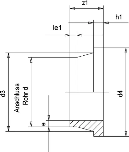
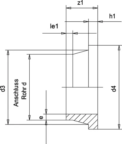
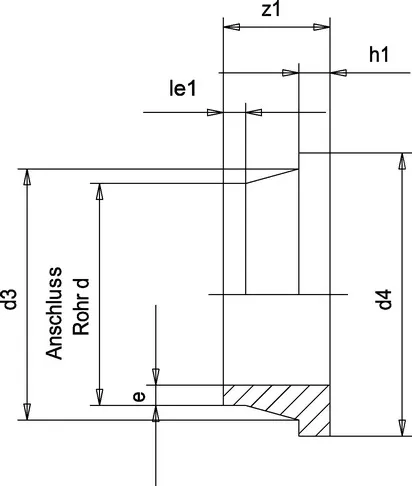
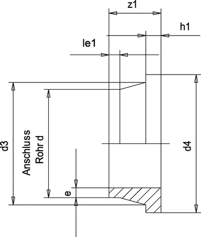
Диапазон диаметров |
d 16÷ 110 (мм) |
|
Номинальное давление |
PN 16 при температуре воды 20 °C |
|
Диапазон температур |
-40 °C ÷ 140 °C |
|
Стандарт соединений |
Сварка: EN ISO 10931. Соединения с трубами по стандарту EN ISO 10931 |
|
Фланцы: ISO 7005-1, EN 10931, EN 558-1, DIN 2501, ANSI B.16.5 cl. 150 |
|
|
Применимые стандарты |
Конструктивные критерии: EN ISO 10931 |
|
Методики и требования к испытаниям: EN ISO 10931 |
|
|
Критерии монтажа: DVS 2201-1, DVS 2207-15, DVS 2208-1 |
|
|
Материал фитингов |
ПВДФ |
|
Материал уплотнений |
FKM |
|
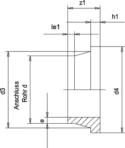
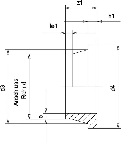
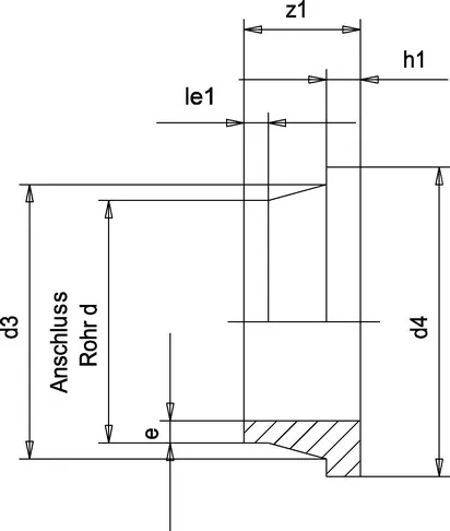
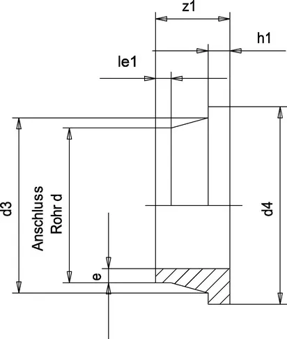
Диапазон диаметров |
d 20 ÷ 63 (мм); R 3/8” ÷ 2” |
|
Номинальное давление |
PN 16 при температуре воды 20 °C |
|
Диапазон температур |
-40 °C ÷ 140 °C |
|
Стандарт соединений |
Сварка: EN ISO 10931. Соединения с трубами по стандарту EN ISO 10931 |
|
Резьбовые соединения: ISO 228-1, DIN 2999 |
|
|
Применимые стандарты |
Конструктивные критерии: EN ISO 10931 |
|
Методики и требования к испытаниям: EN ISO 10931 |
|
|
Критерии монтажа: DVS 2201-1, DVS 2207-15, DVS 2208-1 |
|
|
Материал фитингов |
ПВДФ |
|
Материал уплотнений |
FKM |
Преимущества фитингов ПВДФ
За счет высокой степени чистоты и подходящих характеристик материала, фитинги, изготовленные из поливинилиденфторида, выступают лучшей альтернативой металлическим изделиям. Среди достоинств:
- коррозионная и абразивная стойкость при работе с агрессивными химическими веществами, будь то кислоты, соли или щелочь;
- огнеупорность;
- безопасность;
- прочность соединения;
- устойчивость к повышенным температурам (до +140°C).
В составе материала нет стабилизаторов, пластификаторов и прочих соединений. Поэтому фитинги из ПВДФ могут без проблем применяться в системах транспортировки ультрачистой воды.
Где брать?
На сайте нашей компании «Афинара» можно найти любую трубопроводную продукцию, отличающуюся высоким качеством. Мы занимаемся продажей отводов, муфт, переходников, тройников и прочих фитингов с 2009г. и предлагаем клиентам только проверенную продукцию.
Для оформления заказа достаточно добавить товар в корзину или отправить запрос нам на почту info@afinara.ru. Заявка автоматически поступит нашим менеджерам, и они быстро обработают заказ.

































