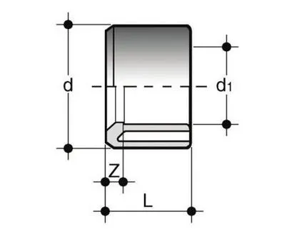
Переходное кольцо под холодную сварку, d- втулочное соединение, d1 - муфтовое соединение. (рис.В)
Втулка переходная клеевая (кольцо) для соединения труб ПВХ разного диаметра на прямых участках. Диаметр - 75x50 мм. Производитель - FIP (Италия).
Диаметр:
75x50
Давление:
PN16
Материал:
Непластифицированный поливинилхлорид (НПВХ)
Температура рабочей среды:
0-60C
Соединение:
Клеевое
Бренд:
FIP














