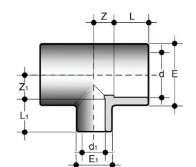
Редукционный тройник 90° муфтовые окончания под холодную сварку
Тройник переходной редукционный предназначен для создания ответвления в системах трубопроводов из ПВХ. Диаметр - 90x63 мм. Производитель - FIP (Италия).
Диаметр:
90x63
Давление:
PN16
Материал:
Непластифицированный поливинилхлорид (НПВХ)
Температура рабочей среды:
0-60C
Соединение:
Клеевое
Бренд:
FIP













