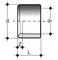
Переходное кольцо под холодную сварку; d- втулочное соединение; d1 - муфтовое соедиение. (рис.А)
Серия фитингов, предназначенных для транспортировки жидкостей под давлением, соединяемые методом холодной химической сварки с использованием цемента WELD-ON и специального обезжиривателя.
Диаметр:
90x75
Бренд:
FIP
















