На сайте указаны розничные цены. Для получения оптовых и индивидуальных скидок пришлите заявку на почту.
Москва
Частным лицам:+7 (925) 114-32-11
Организациям:

Бурт ПВДФ для раструбной сварки PN 16 d63 IQRNF063

В наличии
Артикул:IQRNF063

Бурт ПВДФ для раструбной сварки PN 16 d63

для юр. лиц
7179,28 ₽
для физ. лиц
По запросу
Мы уверены в надежности нашей продукции.
На все товары действует гарантия сроком 1 год.

Добавить в корзину

Описание

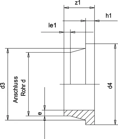
Бурт под фланец IODB (по стандарту DIN) для раструбной сварки, метрический стандарт
Фитинги, предназначенные для транспортировки жидкостей под давлением, соединяемые методом раструбной сварки. Бренд IPS
Диаметр:

63

Бренд:

IPS

Ассортимент продукции

Показать все

Размерный ряд

Артикул
d1,мм
DN
PN
D1,мм
D2,мм
d2,мм
Z,мм
H,мм
IQRNF0636350169777512840,5
IQRNF11011010016160130894178,5
IQRNF0202015163731,51614,724,5
IQRNF0252520164438211829

Показать все

Файлы

AFINARA. Каталог продукции
AFINARA. Каталог продукции

В представленном каталоге вы найдете полный ассортимент продукции ГК AFINARА.

Бурт ПВДФ для раструбной сварки PN 16 d63

В наличии

Фитинги, предназначенные для транспортировки жидкостей под давлением, соединяемые методом раструбной сварки. Бренд IPS

Похожие товары

Перейти в каталог

Рекомендуемые товары

Перейти в каталог