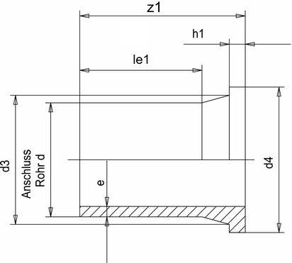
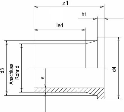
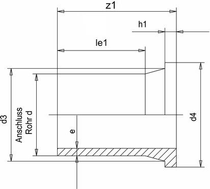
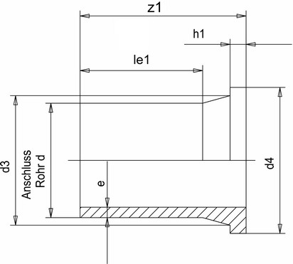
Бурт под фланец, SDR11 PP-R литой с длинными патрубками под стыковую сварку
Бурт под фланец литой PP-H (полипропилен гомополимер) 250 мм SDR11 PN6 с длинными патрубками для стыковой сварки. Фитинг предназначен для применения в составе промышленных трубопроводных систем, транспортирующих воду, технические и химические среды с температурой до 100 °С. Соответствуют стандарту ГОСТ 32415-2013.
Диаметр:
250
Бренд:
Simona













