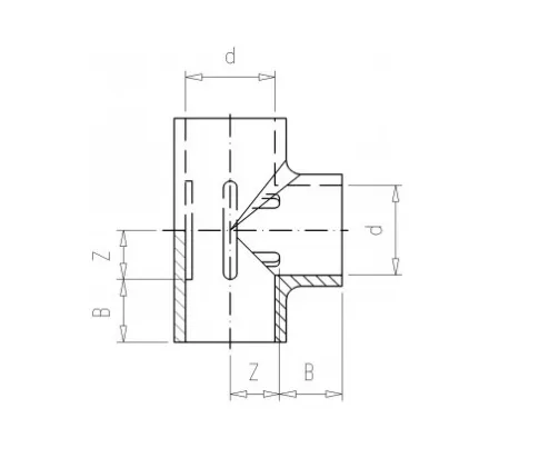
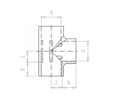
Тройник 90° муфтовые окончания для холодной сварки
Клеевой тройник равнопроходной 90 градусов предназначен для создания разветвлений в системах трубопроводов из ПВХ. Бренд VDL.
Диаметр:
110
Давление:
PN10
Материал:
Непластифицированный поливинилхлорид (НПВХ)
Температура рабочей среды:
0-60C
Соединение:
Клеевое
Бренд:
Van de Lande












