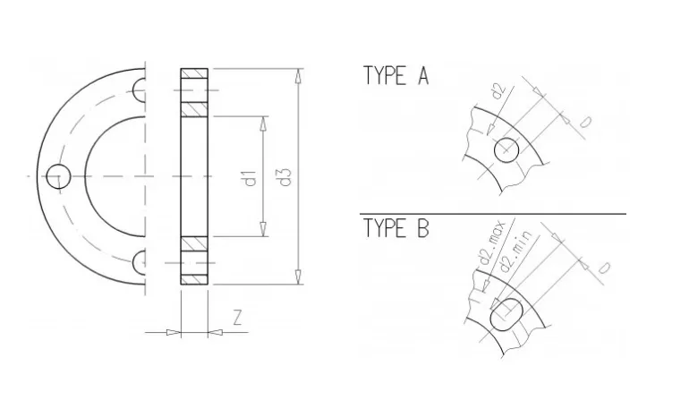
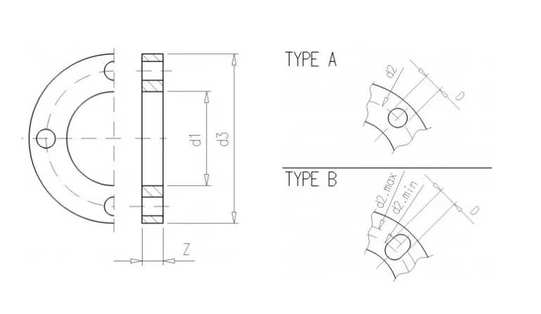
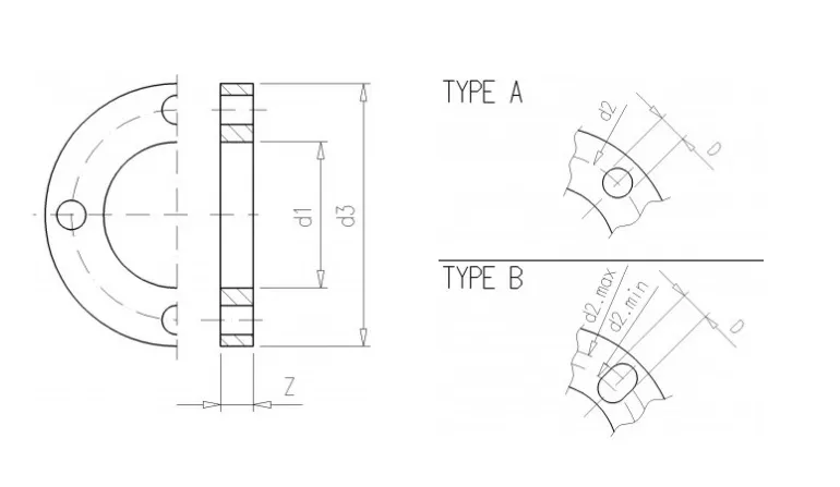
Свободный фланец для буртов
Свободный фланец предназначен для соединения с ответным фланцем или фланцевой запорной арматурой в системах трубопроводов из ПВХ. Бренд VDL.
Диаметр:
140
Давление:
PN10
Материал:
Непластифицированный поливинилхлорид (НПВХ)
Температура рабочей среды:
0-60C
Соединение:
Фланцевое
Бренд:
Van de Lande












