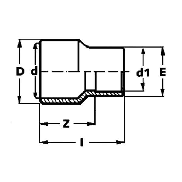
Втулка редукционная ПВХ Praher Plastics
Втулка редукционная из ПВХ клеевая. Производитель Praher Plastics.
Диаметр:
50х25
Давление:
PN16
Материал:
Непластифицированный поливинилхлорид (НПВХ)
Температура рабочей среды:
0-60C
Соединение:
Клеевое
Бренд:
Praher Plastics












