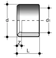
Переходная муфта, муфтовые окончания для холодной сварки, метрический стандарт (рис.В)
Втулка переходная клеевая (кольцо) для соединения труб ПВХ разного диаметра на прямых участках. Диаметр - 250x225 мм. Производитель - FIP (Италия).
Диаметр:
250x225
Давление:
PN10
Материал:
Непластифицированный поливинилхлорид (НПВХ)
Температура рабочей среды:
0-60C
Соединение:
Клеевое
Бренд:
FIP














