Дисковый затвор с пневматическим приводом двойного действия
Дисковый затвор промышленного применения FK служит перекрытия и регулирования потока, конструктивные особенности модели делают её идеальной для промышленного применения, требующего высокой производительности и долгосрочной надежности.
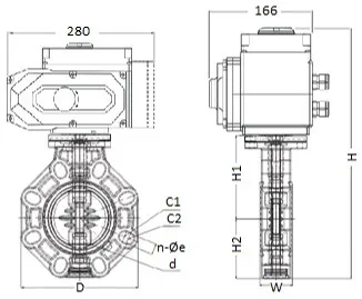
Диаметр:
d12" (DN300)
Тип привода:
Пневматический
Вид привода:
Двойного действия; ДвД
Материал уплотнения:
FKM
Бренд:
FIP













