Дисковый затвор с пневматическим приводом нормально-закрытый (НЗ)
Дисковый затвор промышленного применения FK служит перекрытия и регулирования потока, конструктивные особенности модели делают её идеальной для промышленного применения, требующего высокой производительности и долгосрочной надежности.
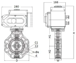
Диаметр:
d14" (DN350)
Тип привода:
Пневматический
Вид привода:
Нормально-закрытый; НЗ
Материал уплотнения:
FKM
Бренд:
FIP













