Дисковый затвор с пневматическим приводом нормально-открытый (НО)
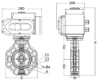
Дисковый затвор промышленного применения FK служит перекрытия и регулирования потока, конструктивные особенности модели делают её идеальной для промышленного применения, требующего высокой производительности и долгосрочной надежности.
Диаметр:
d10" (DN250)
Тип привода:
Пневматический
Вид привода:
Нормально-открытый; НО
Материал уплотнения:
FKM
Бренд:
FIP













