Дисковый затвор с электрическим приводом 24 V AC / DC
Дисковый затвор промышленного применения FK служит перекрытия и регулирования потока, конструктивные особенности модели делают её идеальной для промышленного применения, требующего высокой производительности и долгосрочной надежности.
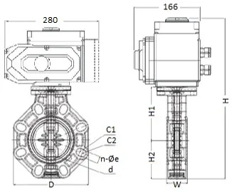
Диаметр:
d160 (DN150)
Тип привода:
Электрический
Вид привода:
24V AC/DC
Материал уплотнения:
EPDM
Бренд:
FIP















