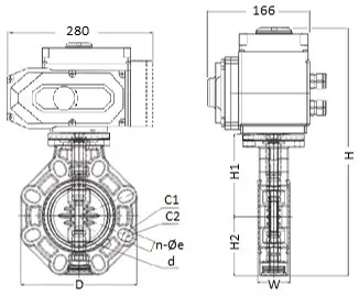
Дисковый затвор с электроприводом 90-240 V AC 50-60 Гц
Дисковый затвор промышленного применения FK служит перекрытия и регулирования потока, конструктивные особенности модели делают её идеальной для промышленного применения, требующего высокой производительности и долгосрочной надежности.
Диаметр:
d90 (DN80)
Тип привода:
Электрический
Вид привода:
90-240V AC
Материал уплотнения:
FKM
Бренд:
FIP















