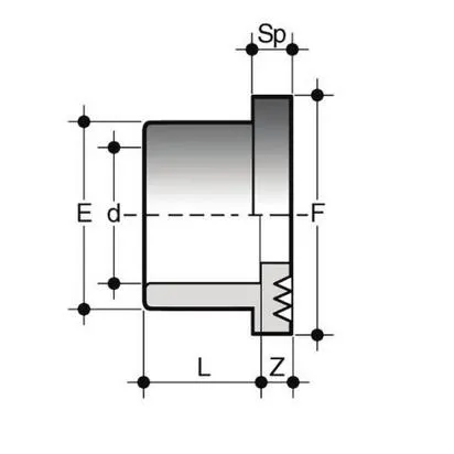
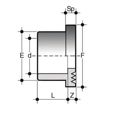
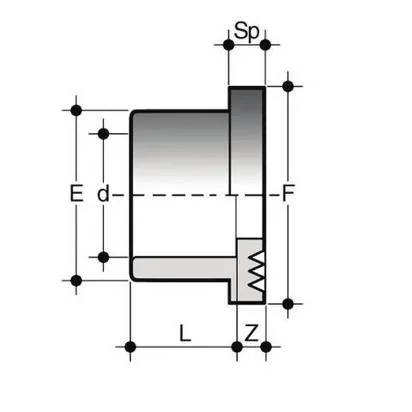
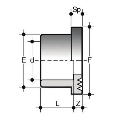
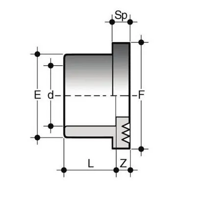
Бурт под свободный фланец в соответствии с DIN 8063 PN 10/16 муфтовое окончание под холодную сварку.
Серия фитингов, предназначенных для транспортировки жидкостей под давлением, соединяемые методом холодной химической сварки с использованием цемента WELD-ON и специального обезжиривателя.
Диаметр:
90
Бренд:
FIP
















