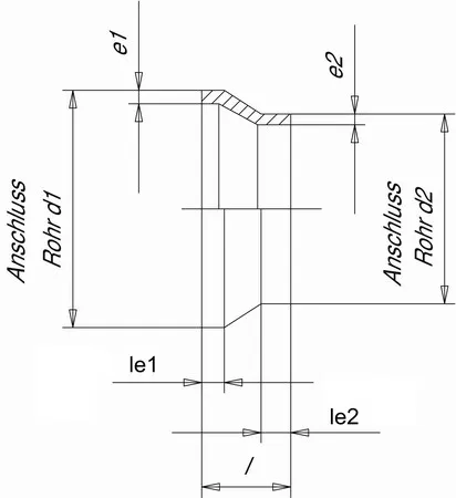
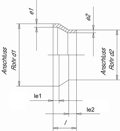
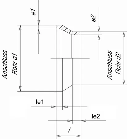
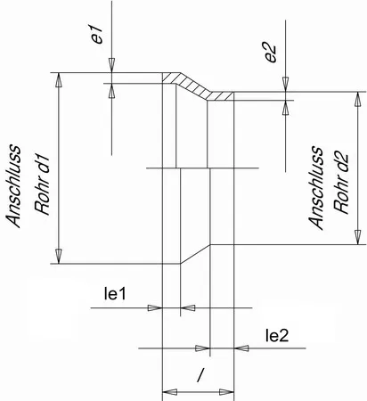
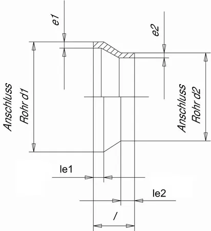
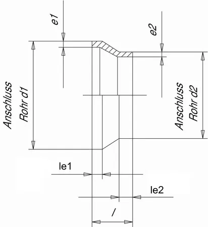
Редукционный переходник с короткими патрубками для стыковой сварки SDR 17,6-S 8,3
Муфта редукционная PP-H (полипропилен гомополимер) 710x500 мм SDR17.6 PN10 с короткими патрубками для стыковой сварки. Фитинг предназначен для применения в составе промышленных трубопроводных систем, транспортирующих воду, технические и химические среды с температурой до 100 °С. Соответствуют стандарту ГОСТ 32415-2013.
Диаметр:
710x500
Бренд:
FIP

















