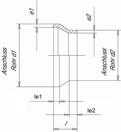
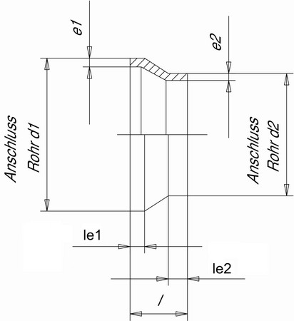
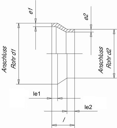
Муфта редукционная, SDR17,6 PP-H литая с короткими патрубками для стыковой сварки
Муфта редукционная PP-H (полипропилен гомополимер) 90x75 мм SDR17.6 PN10 с короткими патрубками для стыковой сварки. Фитинг предназначен для применения в составе промышленных трубопроводных систем, транспортирующих воду, технические и химические среды с температурой до 100 °С. Соответствуют стандарту ГОСТ 32415-2013.
Диаметр:
90x75
Бренд:
Simona















