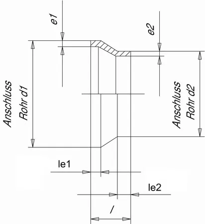
Редукционная муфта для раструбной сварки, d - втулочное окончание, d1 - муфтовое окончание, метрический стандарт
Муфта редукционная PP-H (полипропилен гомополимер) 90x75 мм PN10 для раструбной сварки. Предназначена для применения в составе промышленных трубопроводных систем, транспортирующих воду, технические и химические среды с температурой до 100 °С. Фитинги соответствуют стандарту ГОСТ 32415-2013.
Диаметр:
90x75
Бренд:
FIP

















