Дисковый затвор с электрическим приводом 24 V AC / DC
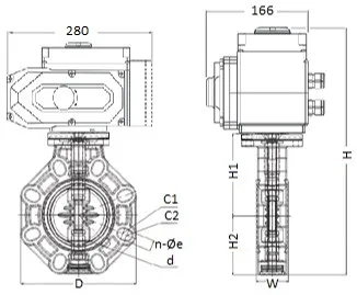
Дисковый затвор промышленного применения FK служит перекрытия и регулирования потока, конструктивные особенности модели делают её идеальной для промышленного применения, требующего высокой производительности и долгосрочной надежности.
Диаметр:
d90 (DN80)
Тип привода:
Электрический
Вид привода:
24V AC/DC
Материал уплотнения:
FKM
Бренд:
FIP















