На сайте указаны розничные цены. Для получения оптовых и индивидуальных скидок пришлите заявку на почту.
Москва
Частным лицам:+7 (925) 114-32-11
Организациям:

Муфта разборная ПВДФ PN 16 d32 IBBFL21032F

В наличии
Артикул:IBBFL21032F

Муфта разборная ПВДФ PN 16 d32

для юр. лиц
10442,25 ₽
для физ. лиц
По запросу
Мы уверены в надежности нашей продукции.
На все товары действует гарантия сроком 1 год.

Добавить в корзину

Описание

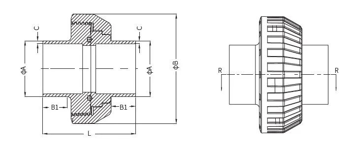
Муфта разборная, ПВДФ, PN 16, стыковая сварка
Фитинги, предназначенные для транспортировки жидкостей под давлением, соединяемые методом стыковой сварки. Бренд IPS
Диаметр:

32

Бренд:

IPS

Ассортимент продукции

Наименование
Диаметр
Артикул
Цена с НДС руб/шт.
Муфта разборная ПВДФ20IBBFL21020F5672.1
Муфта разборная ПВДФ25IBBFL21025F7735.35
Муфта разборная ПВДФ32IBBFL21032F10442.25
Муфта разборная ПВДФ40IBBFL21040F11602.5

Показать все

Размерный ряд

Артикул
A,мм
B,мм
B1,мм
C,мм
L,мм
Вес,кг
IBBFL21020F2053,98201,9680,85
IBBFL21025F256321,91,971,90,13
IBBFL21032F3271,97222,477,990,18
IBBFL21040F4084,58302,496,470,24

Показать все

Файлы

AFINARA. Каталог продукции
AFINARA. Каталог продукции

В представленном каталоге вы найдете полный ассортимент продукции ГК AFINARА.

Муфта разборная ПВДФ PN 16 d32

В наличии

Фитинги, предназначенные для транспортировки жидкостей под давлением, соединяемые методом стыковой сварки. Бренд IPS

Похожие товары

Перейти в каталог

Рекомендуемые товары

Перейти в каталог