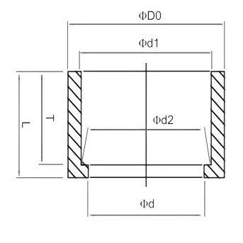
Переходное кольцо под холодную сварку
Втулка переходная клеевая (кольцо) для соединения труб ПВХ разного диаметра на прямых участках. Бренд: IPS.
Диаметр:
110x75
Давление:
PN16
Материал:
Непластифицированный поливинилхлорид (НПВХ)
Температура рабочей среды:
0-60C
Соединение:
Клеевое
Бренд:
IPS













