На сайте указаны розничные цены. Для получения оптовых и индивидуальных скидок пришлите заявку на почту.
Москва
Частным лицам:+7 (925) 114-32-11
Организациям:

Фланцевое соединение жесткое для стыковой сварки PP-H IPS PN10 d400 IFDBM11400

В наличии
Артикул:IFDBM11400

Фланцевое соединение жесткое для стыковой сварки PP-H IPS PN10 d400

для юр. лиц
51729 ₽
для физ. лиц
По запросу
Мы уверены в надежности нашей продукции.
На все товары действует гарантия сроком 1 год.

Добавить в корзину

Описание

Фланцевое соединение жесткое для стыковой сварки PP-H IPS
Фланцевое соединение жесткое для стыковой сварки PP-H. Бренд: IPS
Диаметр:

400

Бренд:

IPS

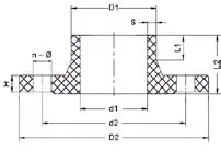
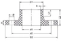
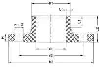
Размерный ряд

Артикул
Размер
PN
DN
D1
D2
d1
d2
S
L1
L2
H
n-Ø
IFDBM111601601015016028524024114.66011538-22*23
IFDBM111401401012514023521021612.760110258-18*21
IFDBM112252251020022534329529920.560120358-22*24
IFDBM112802801025028040635036225.4601273512-22*28

Показать все

Файлы

AFINARA. Каталог продукции
AFINARA. Каталог продукции

В представленном каталоге вы найдете полный ассортимент продукции ГК AFINARА.

Фланцевое соединение жесткое для стыковой сварки PP-H IPS PN10 d400

В наличии

Фланцевое соединение жесткое для стыковой сварки PP-H. Бренд: IPS

Похожие товары

Перейти в каталог

Рекомендуемые товары

Перейти в каталог