Дисковый затвор промышленного применения с электрическим приводом RL-AT20 24V DC
Дисковый затвор промышленного применения с электрическим приводом RL-AT20 24V DC. Бренд: IPS
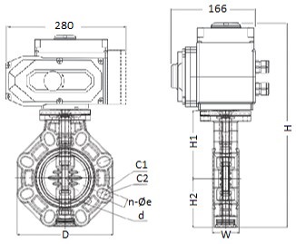
Диаметр:
d225 (DN200)
Тип привода:
Электрический
Вид привода:
24V DC
Материал уплотнения:
EPDM
Бренд:
IPS















