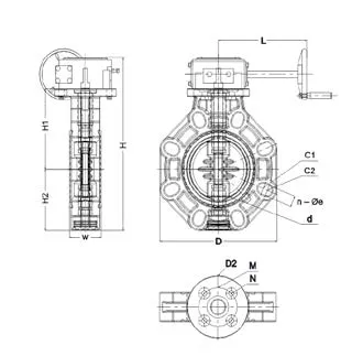
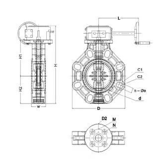
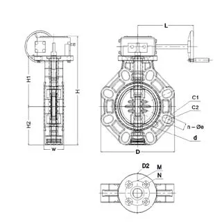
Затвор дисковый промышленный с редуктором ХПВХ d10"(DN250) IPS
Затвор дисковый промышленного применения IPS из ХПВХ предназначен для использования в качестве запорной арматуры в системах промышленных трубопроводов для транспортировки технологических сред до PN10. Управление затвора через редуктор. Диаметр - d10"(DN250). Уплотнение из EPDM. Материал изготовления (ХПВХ) соответствует гигиеническим стандартам для питьевой воды. В составе сырья используются специальные добавки для повышения устойчивости изделия к УФ излучению. Утолщенный корпус и уплотнения для увеличения срока службы.
Диаметр:
d10"(DN250)
Давление:
PN10
Материал уплотнения:
EPDM
Управление затвора:
С редуктором
Бренд:
IPS
















