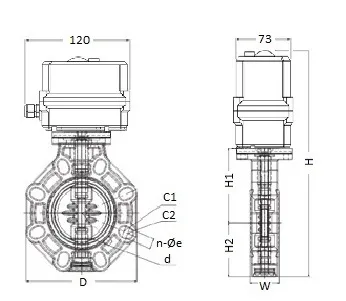
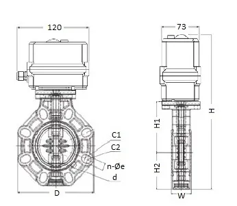
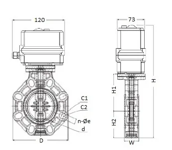
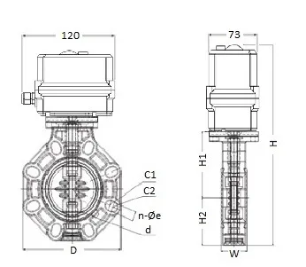
Дисковый затвор промышленного применения с электрическим приводом RL-03XM 220V AC
Дисковый затвор промышленного применения с электрическим приводом RL-03XM 220V AC. Бренд: IPS
Диаметр:
d90 (DN80)
Тип привода:
Электрический
Вид привода:
220V AC
Материал уплотнения:
EPDM
Бренд:
IPS
















