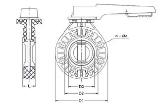
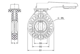
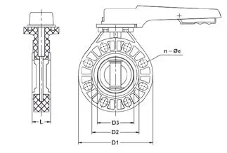
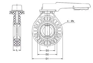
Дисковый затвор промышенного применения IFK с рукояткой
Дисковый затвор промышленного применения IFK служит для перекрытия и регулирования потока, конструктивные особенности модели делают её идеальной для промышленного применения, требующего высокой производительности и долгосрочной надежности. Бренд: IPS
Диаметр:
d75 (DN65)
Материал уплотнения:
FKM
Управление затвора:
С рукояткой
Бренд:
IPS











