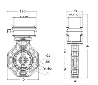
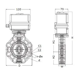
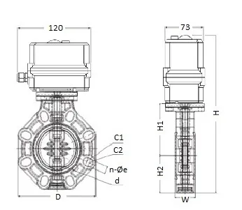
Дисковый затвор промышленного применения с электрическим приводом RL-03XM 24V DC
Дисковый затвор промышленного применения с электрическим приводом RL-03XM 24V DC. Бренд: IPS
Диаметр:
d63 (DN50)
Тип привода:
C электроприводом
Вид привода:
24V DC
Материал уплотнения:
EPDM
Бренд:
IPS




















