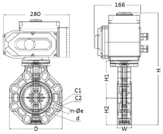
Дисковый затвор промышленного применения с электрическим приводом RL-AT05 220V AC
Дисковый затвор промышленного применения с электрическим приводом RL-AT05 220V AC. Бренд: IPS
Диаметр:
d140 (DN125)
Тип привода:
C электроприводом
Вид привода:
220V AC
Материал уплотнения:
FKM
Бренд:
IPS
















