На сайте указаны розничные цены. Для получения оптовых и индивидуальных скидок пришлите заявку на почту.
Москва
Частным лицам:+7 (925) 114-32-11
Организациям:

Затвор дисковый с рукояткой PP-H IPS d90 (DN80) IFKOMLM090E

В наличии
Артикул:IFKOMLM090E

Затвор дисковый с рукояткой PP-H IPS d90 (DN80)

для юр. лиц
20820 ₽
для физ. лиц
По запросу
Мы уверены в надежности нашей продукции.
На все товары действует гарантия сроком 1 год.

Добавить в корзину

Описание

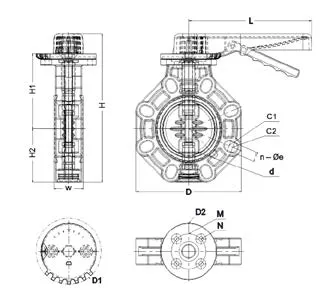
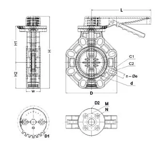
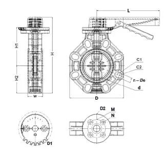
Затвор дисковый промышленный с рукояткой PP-H IPS
Затвор дисковый PP-H. Бренд: IPS
Диаметр:

d90 (DN80)

Материал уплотнения:

EPDM

Управление затвора:

С рукояткой

Бренд:

IPS

Ассортимент продукции

Наименование
Диаметр
Материал уплотнения
Артикул
Цена с НДС руб/шт.
Затвор дисковый с рукояткой PP-H IPSd110 (DN100)FKMIFKOMLM110F42051
Затвор дисковый с рукояткой PP-H IPSd110 (DN100)EPDMIFKOMLM110E25068
Затвор дисковый с рукояткой PP-H IPSd140 (DN125)EPDMIFKOMLM140E37457
Затвор дисковый с рукояткой PP-H IPSd140 (DN125)FKMIFKOMLM140F63651

Показать все

Размерный ряд

Артикул
Размер
DN
d
C1
C2
H
H1
H2
W
D
D1
D2
M
N
L
n
Крутящий момент
PN
IFKOMLM090E908078,51501602321369652190130,81127092208-192010
IFKOMLM160E16015016424024236218013272263155136102112808-234810
IFKOMLM225E22520021029029843521716772335155136102122808-238010
IFKOMLM063F6350521201251751086748136130,81127092204-191510

Показать все

Файлы

AFINARA. Каталог продукции
AFINARA. Каталог продукции

В представленном каталоге вы найдете полный ассортимент продукции ГК AFINARА.

Затвор дисковый с рукояткой PP-H IPS d90 (DN80)

В наличии

Затвор дисковый PP-H. Бренд: IPS

Похожие товары

Перейти в каталог

Рекомендуемые товары

Перейти в каталог