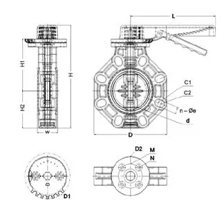
Затвор дисковый ПВХ с рукояткой промышленного применения 90 (DN80) FKM IPS
Затвор дисковый ПВХ с рукояткой промышленного применения. Бренд: IPS
Диаметр:
90 (DN80)
Давление:
PN 10
Материал:
Непластифицированный поливинилхлорид (НПВХ)
Температура рабочей среды:
0-60 C
Материал уплотнения:
FKM
Управление затвора:
С рукояткой
Бренд:
IPS














