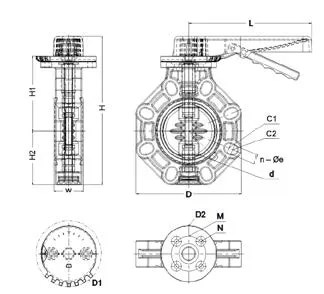
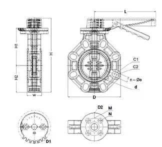
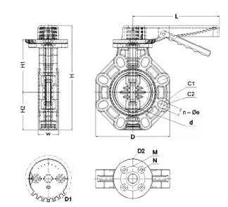
Затвор дисковый ПВХ с рукояткой промышленного применения 225 (DN200) EPDM IPS
Затвор дисковый ПВХ с рукояткой промышленного применения. Бренд: IPS
Диаметр:
225 (DN200)
Давление:
PN 10
Материал:
Непластифицированный поливинилхлорид (НПВХ)
Температура рабочей среды:
0-60 C
Материал уплотнения:
EPDM
Управление затвора:
С рукояткой
Бренд:
IPS














