На сайте указаны розничные цены. Для получения оптовых и индивидуальных скидок пришлите заявку на почту.
Москва
Частным лицам:+7 (925) 114-32-11
Организациям:

Редукционная муфта ПВДФ с НР для стыковой сварки PN 16 63х2" IKBFF21063200

В наличии
Артикул:IKBFF21063200

Редукционная муфта ПВДФ с НР для стыковой сварки PN 16 63х2"

для юр. лиц
7992,6 ₽
для физ. лиц
По запросу
Мы уверены в надежности нашей продукции.
На все товары действует гарантия сроком 1 год.

Добавить в корзину

Описание

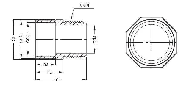
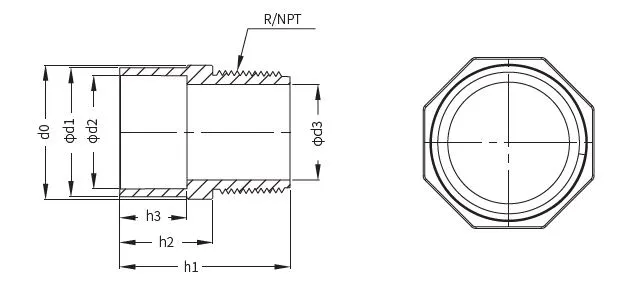
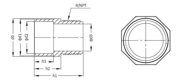
Муфта переходная для стыковой сварки, НР
Фитинги, предназначенные для транспортировки жидкостей под давлением, соединяемые методом стыковой сварки. Бренд IPS
Диаметр:

63х2"

Бренд:

IPS

Размерный ряд

Артикул
Размер
R
PN
d0,мм
d1,мм
d2,мм
d3,мм
h1,мм
h2,мм
h3,мм
Вес,кг
IKBFF21020012201/2"162520,0516,213,34727190,02
IKBFF21025034253/4"162825,0521,2174828200,03
IKBFF21032100321"163532,0527,223,358,532,5230,04
IKBFF21040114401¼"16434035,229,560,534,5250,05

Показать все

Файлы

AFINARA. Каталог продукции
AFINARA. Каталог продукции

В представленном каталоге вы найдете полный ассортимент продукции ГК AFINARА.

Редукционная муфта ПВДФ с НР для стыковой сварки PN 16 63х2"

В наличии

Фитинги, предназначенные для транспортировки жидкостей под давлением, соединяемые методом стыковой сварки. Бренд IPS

Похожие товары

Перейти в каталог

Рекомендуемые товары

Перейти в каталог