На сайте указаны розничные цены. Для получения оптовых и индивидуальных скидок пришлите заявку на почту.
Москва
Частным лицам:+7 (925) 114-32-11
Организациям:

Муфта ХПВХ IPS PN16 32x1" IKIFC032100

В наличии
Артикул:IKIFC032100

Муфта ХПВХ IPS PN16 32x1"

для юр. лиц
540,48 ₽
для физ. лиц
По запросу
Мы уверены в надежности нашей продукции.
На все товары действует гарантия сроком 1 год.

Добавить в корзину

Описание

Муфта ХПВХ клеевая с НР d32x1"
Муфта ХПВХ клеевая с НР d32x1" IPS IKIFC032100
Диаметр:

32x1"

Бренд:

IPS

Ассортимент продукции

Наименование
Диаметр
Артикул
Цена с НДС руб/шт.
Муфта ХПВХ IPS20x1/2"IKIFC020012248.4
Муфта ХПВХ IPS25x3/4"IKIFC025034343.03
Муфта ХПВХ IPS32x1"IKIFC032100540.48
Муфта ХПВХ IPS40x1 1/4''IKIFC040114790.7

Показать все

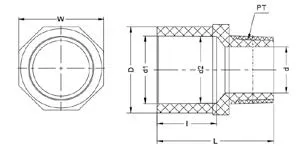
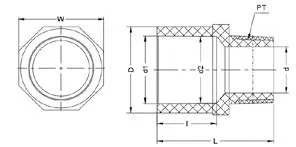
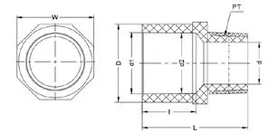
Размерный ряд

Артикул
Размер
PN
D
d1
d2
I
W
d
L
PT
Вес
IKIFC02001220x1/2"162720,320,116301338,51/2"0,02
IKIFC02503425x3/4"163325,325,1193518453/4"0,03
IKIFC03210032x1"1640,532,332,129452356,81"0,05
IKIFC04011440x1¼"1649,140,340,126,5513157,51¼"0,06

Показать все

Файлы

AFINARA. Каталог продукции
AFINARA. Каталог продукции

В представленном каталоге вы найдете полный ассортимент продукции ГК AFINARА.

Муфта ХПВХ IPS PN16 32x1"

В наличии

Муфта ХПВХ клеевая с НР d32x1" IPS IKIFC032100

Рекомендуемые товары

Перейти в каталог