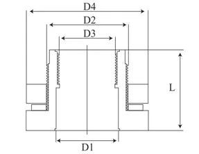
Соединитель с цистерной
Муфта проходная (танк-адаптер) для присоединения фитингов в местах врезания в емкость. Бренд - IPS.
Диаметр:
50
Давление:
PN16
Материал:
Непластифицированный поливинилхлорид (НПВХ)
Температура рабочей среды:
0-60C
Соединение:
Клеевое, резьбовое
Бренд:
IPS













