На сайте указаны розничные цены. Для получения оптовых и индивидуальных скидок пришлите заявку на почту.
Москва
Частным лицам:+7 (925) 114-32-11
Организациям:

Редукционная муфта ПВДФ с ВР для раструбной сварки PN 16 32х1" IMIMF032100

В наличии
Артикул:IMIMF032100

Редукционная муфта ПВДФ с ВР для раструбной сварки PN 16 32х1"

для юр. лиц
2063,25 ₽
для физ. лиц
По запросу
Мы уверены в надежности нашей продукции.
На все товары действует гарантия сроком 1 год.

Добавить в корзину

Описание

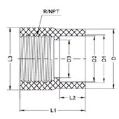
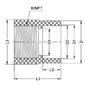
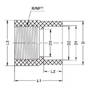
Муфта переходная для раструбной сварки, ВР
Фитинги, предназначенные для транспортировки жидкостей под давлением, соединяемые методом раструбной сварки. Бренд IPS
Диаметр:

32х1"

Бренд:

IPS

Размерный ряд

Артикул
Размер
R
PN
DN
D,мм
D1,мм
D2,мм
D3,мм
L1,мм
L2,мм
L3,мм
IMIMF020012201/2"161528,518,9918,613,3391631,8
IMIMF025034253/4"162034,5123,9923,7174225,437,0
IMIMF032100321"162542,531,1430,8523,346,872044,4
IMIMF040114401¼"163251,538,9938,729,555,982255,9

Показать все

Файлы

AFINARA. Каталог продукции
AFINARA. Каталог продукции

В представленном каталоге вы найдете полный ассортимент продукции ГК AFINARА.

Редукционная муфта ПВДФ с ВР для раструбной сварки PN 16 32х1"

В наличии

Фитинги, предназначенные для транспортировки жидкостей под давлением, соединяемые методом раструбной сварки. Бренд IPS

Похожие товары

Перейти в каталог

Рекомендуемые товары

Перейти в каталог