На сайте указаны розничные цены. Для получения оптовых и индивидуальных скидок пришлите заявку на почту.
Москва
Частным лицам:+7 (925) 114-32-11
Организациям:

Фланец свободный с буртом ХПВХ IPS (Model A) PN16 d75 IODCQRC075

В наличии
Артикул:IODCQRC075

Фланец свободный с буртом ХПВХ IPS (Model A) PN16 d75

для юр. лиц
7384,75 ₽
для физ. лиц
По запросу
Мы уверены в надежности нашей продукции.
На все товары действует гарантия сроком 1 год.

Добавить в корзину

Описание

Фланец свободный с буртом ХПВХ IPS d75
Фланец свободный с буртом ХПВХ IPS d75 IODCQRC075
Диаметр:

75

Бренд:

IPS

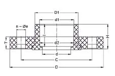
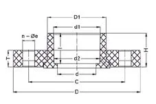
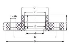
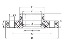
Размерный ряд

Артикул
Размер
PN
D
D1
C
d
d1
d2
H
T
I
n-Ø
Вес
IODCQRC02020169530,6651520,3202621421,64-150,11
IODCQRC032321612543,8852532,33232,21628,74-190,21
IODCQRC040401614052,61003240,34038,51631,74-190,30
IODCQRC063631616574,81255163,363452038,24-190,50

Показать все

Файлы

AFINARA. Каталог продукции
AFINARA. Каталог продукции

В представленном каталоге вы найдете полный ассортимент продукции ГК AFINARА.

Фланец свободный с буртом ХПВХ IPS (Model A) PN16 d75

В наличии

Фланец свободный с буртом ХПВХ IPS d75 IODCQRC075

Похожие товары

Перейти в каталог

Рекомендуемые товары

Перейти в каталог