На сайте указаны розничные цены. Для получения оптовых и индивидуальных скидок пришлите заявку на почту.
Москва
Частным лицам:+7 (925) 114-32-11
Организациям:

Бурт ПВДФ для стыковой сварки PN 16 d75 IQBF21075

В наличии
Артикул:IQBF21075

Бурт ПВДФ для стыковой сварки PN 16 d75

для юр. лиц
12531,11 ₽
для физ. лиц
По запросу
Мы уверены в надежности нашей продукции.
На все товары действует гарантия сроком 1 год.

Добавить в корзину

Описание

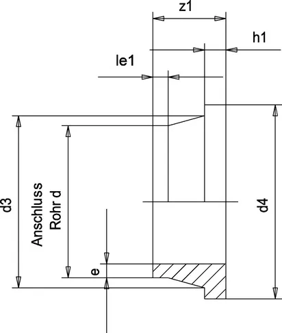
Бурт под фланец ПВДФ, PN 16, стыковая сварка
Фитинги, предназначенные для транспортировки жидкостей под давлением, соединяемые методом стыковой сварки. Бренд IPS
Диаметр:

75

Бренд:

IPS

Ассортимент продукции

Показать все

Размерный ряд

Артикул
Размер
PN
D1,мм
D2,мм
H2,мм
Вес,кг
IQBF2116016016160,15144,6109,450,96
IQBF211101101611099,481,50,48
IQBF2102020162016,2500,04
IQBF2102525162521,2520,05

Показать все

Файлы

AFINARA. Каталог продукции
AFINARA. Каталог продукции

В представленном каталоге вы найдете полный ассортимент продукции ГК AFINARА.

Бурт ПВДФ для стыковой сварки PN 16 d75

В наличии

Фитинги, предназначенные для транспортировки жидкостей под давлением, соединяемые методом стыковой сварки. Бренд IPS

Похожие товары

Перейти в каталог

Рекомендуемые товары

Перейти в каталог