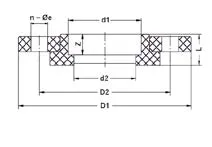
Бурт под фланец IQRNM для раструбной сварки
Бурт под фланец PP-H (полипропилен гомополимер) 110 мм PN10 для раструбной сварки. Предназначен для применения в составе промышленных трубопроводных систем, транспортирующих воду, технические и химические среды с температурой до 100 °С
Диаметр:
110
Бренд:
IPS

















