На сайте указаны розничные цены. Для получения оптовых и индивидуальных скидок пришлите заявку на почту.
Москва
Частным лицам:+7 (925) 114-32-11
Организациям:

Редукционная муфта ПВДФ для стыковой сварки PN 16 90х63 IRBF21090063

В наличии
Артикул:IRBF21090063

Редукционная муфта ПВДФ для стыковой сварки PN 16 90х63

для юр. лиц
8895,6 ₽
для физ. лиц
По запросу
Мы уверены в надежности нашей продукции.
На все товары действует гарантия сроком 1 год.

Добавить в корзину

Описание

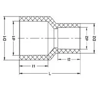
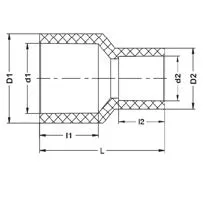
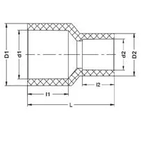
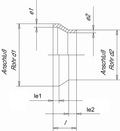
Муфта переходная для стыковой сварки
Фитинги, предназначенные для транспортировки жидкостей под давлением, соединяемые методом стыковой сварки. Бренд IPS
Диаметр:

90х63

Бренд:

IPS

Размерный ряд

Артикул
Размер
PN
D1,мм
d1,мм
D2,мм
d2,мм
L,мм
I1,мм
I2,мм
Вес,кг
IRBF2103202532х25163227,22521,25025,4200,03
IRBF21160140160х14016160144,6140126,614055550,73
IRBF2102502025х20162521,22016,25020,319,80,02
IRBF2103202032х20163227,22016,25025,419,80,03

Показать все

Файлы

AFINARA. Каталог продукции
AFINARA. Каталог продукции

В представленном каталоге вы найдете полный ассортимент продукции ГК AFINARА.

Редукционная муфта ПВДФ для стыковой сварки PN 16 90х63

В наличии

Фитинги, предназначенные для транспортировки жидкостей под давлением, соединяемые методом стыковой сварки. Бренд IPS

Похожие товары

Перейти в каталог

Рекомендуемые товары

Перейти в каталог