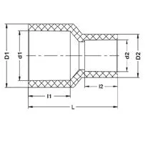
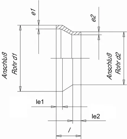
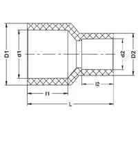
Редукционная муфта для раструбной сварки, d1 - втулочное окончание, d2 - муфтовое окончание, метрический стандарт
Фитинги, предназначенные для транспортировки жидкостей под давлением, соединяемые методом раструбной сварки. Бренд IPS
Диаметр:
25х20
Бренд:
IPS

















