На сайте указаны розничные цены. Для получения оптовых и индивидуальных скидок пришлите заявку на почту.
Москва
Частным лицам:+7 (925) 114-32-11
Организациям:

Тройник 90° ХПВХ IPS (Model A) PN16 d160 ITIC160

В наличии
Артикул:ITIC160

Тройник 90° ХПВХ IPS (Model A) PN16 d160

для юр. лиц
28243,3 ₽
для физ. лиц
По запросу
Мы уверены в надежности нашей продукции.
На все товары действует гарантия сроком 1 год.

Добавить в корзину

Описание

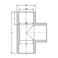
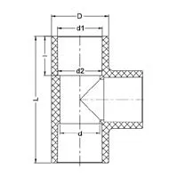
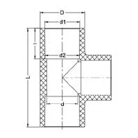
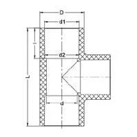
Тройник ХПВХ 90° клеевой муфтовые окончания d160
Тройник равнопроходной ХПВХ 90° клеевой d160. Производитель: IPS.
Диаметр:

160

Бренд:

IPS

Ассортимент продукции

Показать все

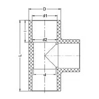
Размерный ряд

Артикул
Размер
PN
d1
d2
I
D
d
L
Вес
ITIC16016016160,5160,2861861543384,07
ITIC020201620,320,116271757,80,03
ITIC025251625,325,1193323680,05
ITIC032321632,332,12240,529830,08

Показать все

Файлы

AFINARA. Каталог продукции
AFINARA. Каталог продукции

В представленном каталоге вы найдете полный ассортимент продукции ГК AFINARА.

Тройник 90° ХПВХ IPS (Model A) PN16 d160

В наличии

Тройник равнопроходной ХПВХ 90° клеевой d160. Производитель: IPS.

Похожие товары

Перейти в каталог

Рекомендуемые товары

Перейти в каталог