На сайте указаны розничные цены. Для получения оптовых и индивидуальных скидок пришлите заявку на почту.
Москва
Частным лицам:+7 (925) 114-32-11
Организациям:

Тройник переходной ПВДФ 90° PN 16 63х40 ITRBF21063040

В наличии
Артикул:ITRBF21063040

Тройник переходной ПВДФ 90° PN 16 63х40

для юр. лиц
19596,15 ₽
для физ. лиц
По запросу
Мы уверены в надежности нашей продукции.
На все товары действует гарантия сроком 1 год.

Добавить в корзину

Описание

Тройник переходной 90°, ПВДФ, PN 16, окончания для стыковой сварки
Фитинги, предназначенные для транспортировки жидкостей под давлением, соединяемые методом стыковой сварки. Бренд IPS
Диаметр:

63х40

Бренд:

IPS

Ассортимент продукции

Наименование
Диаметр
Артикул
Цена с НДС руб/шт.
Тройник переходной ПВДФ 90°110х63ITRBF2111006376836.9
Тройник переходной ПВДФ 90°110х75ITRBF2111007576836.9
Тройник переходной ПВДФ 90°110х90ITRBF2111009076836.9
Тройник переходной ПВДФ 90°25х20ITRBF210250203406.2

Показать все

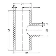
Размерный ряд

Артикул
Размер
D1,мм
PN
S1,мм
d1,мм
S2,мм
L1,мм
H,мм
H2,мм
Вес,кг
ITRBF2104002540х2540162,4251,910370,0350,030,07
ITRBF2106302063х2063163201,914991,7760,270,18
ITRBF2109003290х3290164,45322,4181120,8475,790,43
ITRBF21110075110х75110165,45753,75223,1165,1110,050,83

Показать все

Файлы

AFINARA. Каталог продукции
AFINARA. Каталог продукции

В представленном каталоге вы найдете полный ассортимент продукции ГК AFINARА.

Тройник переходной ПВДФ 90° PN 16 63х40

В наличии

Фитинги, предназначенные для транспортировки жидкостей под давлением, соединяемые методом стыковой сварки. Бренд IPS

Рекомендуемые товары

Перейти в каталог