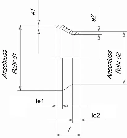
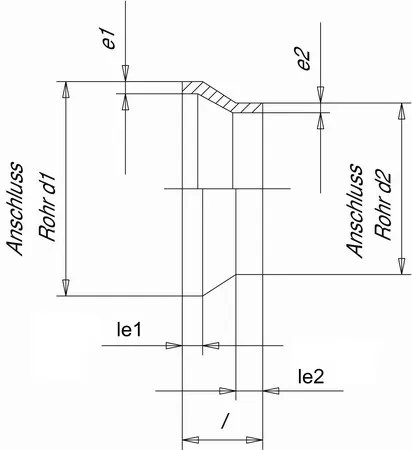
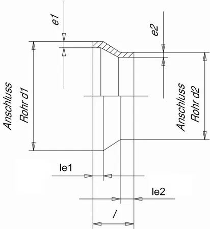
Редукционный переходник с короткими патрубками для стыковой сварки SDR 11-S 5
Муфта редукционная PP-H (полипропилен гомополимер) 40x25 мм SDR11 PN6 с короткими патрубками для стыковой сварки. Фитинг предназначен для применения в составе промышленных трубопроводных систем, транспортирующих воду, технические и химические среды с температурой до 100 °С. Соответствуют стандарту ГОСТ 32415-2013.
Диаметр:
40x25
Бренд:
FIP

















