Дисковый затвор промышленного применения с электрическим приводом RL-AT05 24V DC
Дисковый затвор промышленного применения с электрическим приводом RL-AT05 24V DC. Бренд: IPS
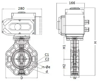
Диаметр:
d110 (DN90)
Тип привода:
Электрический
Вид привода:
24V DC
Материал уплотнения:
FKM
Бренд:
IPS















