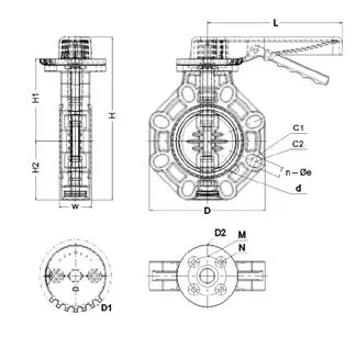
Затвор дисковый ХПВХ с рукояткой EPDM d90 (DN80) IPS
Затвор дисковый промышленного применения IPS из ХПВХ предназначен для использования в качестве запорной арматуры в системах промышленных трубопроводов для транспортировки технологических сред до PN10. Управление затвора рукояткой. Диаметр - d90 (DN80) . Уплотнение из EPDM. Материал изготовления (ХПВХ) соответствует гигиеническим стандартам для питьевой воды. В составе сырья используются специальные добавки для повышения устойчивости изделия к УФ излучению. Утолщенный корпус и уплотнения для увеличения срока службы.
Диаметр:
d90 (DN80)
Давление:
PN10
Материал уплотнения:
EPDM
Управление затвора:
С рукояткой
Бренд:
IPS
















