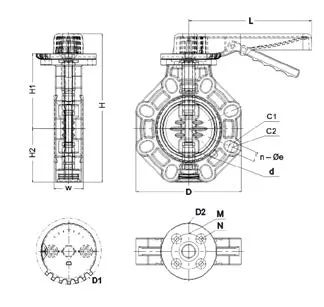
Затвор дисковый ХПВХ с рукояткой FKM d140 (DN125) IPS
Затвор дисковый промышленного применения IPS из ХПВХ предназначен для использования в качестве запорной арматуры в системах промышленных трубопроводов для транспортировки технологических сред до PN10. Управление затвора рукояткой. Диаметр - d140 (DN125). Уплотнение из FKM. Материал изготовления (ХПВХ) соответствует гигиеническим стандартам для питьевой воды. В составе сырья используются специальные добавки для повышения устойчивости изделия к УФ излучению. Утолщенный корпус и уплотнения для увеличения срока службы.
Диаметр:
d140 (DN125)
Давление:
PN10
Материал уплотнения:
FKM
Управление затвора:
С рукояткой
Бренд:
IPS
















