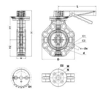
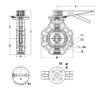
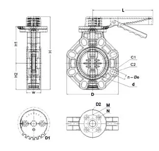
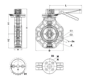
Затвор дисковый ХПВХ с рукояткой FKM d225 (DN200) IPS
Затвор дисковый промышленного применения IPS из ХПВХ предназначен для использования в качестве запорной арматуры в системах промышленных трубопроводов для транспортировки технологических сред до PN10. Управление затвора рукояткой. Диаметр - d225 (DN200). Уплотнение из FKM. Материал изготовления (ХПВХ) соответствует гигиеническим стандартам для питьевой воды. В составе сырья используются специальные добавки для повышения устойчивости изделия к УФ излучению. Утолщенный корпус и уплотнения для увеличения срока службы.
Диаметр:
d225 (DN200)
Давление:
PN10
Материал уплотнения:
FKM
Управление затвора:
С рукояткой
Бренд:
IPS
















