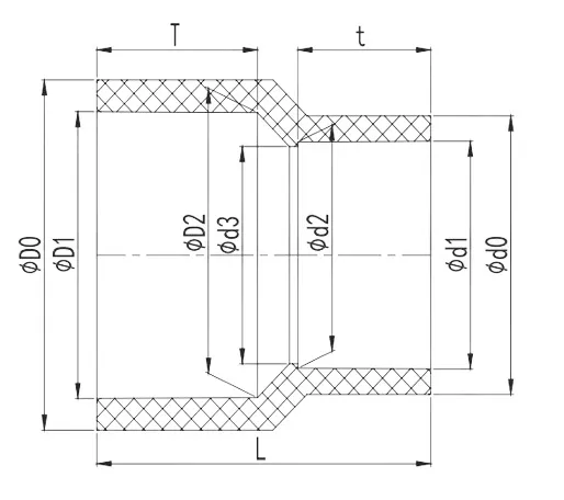
Редукционная муфта переходная с муфтовыми окончаниями под клеевое соединение
Редукционная муфта под клеевое соединение, муфтовые окончания. Бренд: IPS.
Диаметр:
40x25
Давление:
PN16
Материал:
Непластифицированный поливинилхлорид (НПВХ)
Температура рабочей среды:
0-60C
Соединение:
Клеевое
Бренд:
IPS













